Новая статья: Материнская плата MSI X99A Workstation: надёжность и разгон- Новости ИТ - Сервис
 
Главная страница


комплексные ИТ-решения

ВАШИ ИДЕИ
СТАНУТ РЕАЛЬНОСТЬЮ!

  
   


Самый полный
спектр ИТ-услуг
  Решения в области
Информационных технологий
 
 
 

 

 Главная  /  Новости  /  новости IT-рынка  /  Новая статья: Материнская плата MSI X99A Workstation: надёжность и разгон

Новости

Новая статья: Материнская плата MSI X99A Workstation: надёжность и разгон
18.10.2016, 05:00:01 
 
p>Наряду с бюджетными, потребительскими и игровыми материнскими платами компания Micro-Star International Co., Ltd (MSI) практически на каждом чипсете выпускает модели, стоящие особняком и рассчитанные на безупречную надёжность и безотказность. Как правило, такие модели нацелены на весьма узкий и специфичный круг пользователей. Эти платы выкрашены в строгие цвета и лишены мигающих светодиодов по всей площади и драконов на радиаторах. Здесь всё серьёзно, всё ради стабильности и долговечности.

Характерным представителем таких материнских плат является новая MSI X99A Workstation, о которой и пойдёт речь в сегодняшней статье.

Технические характеристики и рекомендованная стоимость

MSI X99A Workstation
Поддерживаемые процессоры Процессоры Intel Core i7 Extreme Edition в исполнении LGA2011-v3, поддержка технологии Turbo Boost Max 3.0
Чипсет Intel X99
Подсистема памяти 8 × DIMM DDR4 не буферизованной памяти объёмом до 128 Гбайт;
четырёхканальный режим работы памяти;
поддержка модулей с частотой 3333(O.C.)/3200(O.C.)/3000(O.C.)/2933(O.C.)/2800(O.C.)/2666(O.C.)/2600(O.C.)
/2400/2200(O.C.)/2133 МГц;
поддержка ECC;
поддержка XMP (Extreme Memory Profile).
Разъёмы для плат расширения 3 слота PCI Express x16 3.0/2.0, режим работы x16, x16/x16, x8/x16/x8 с процессором с 40 линиями PCI-E и x16, x16/x8 и x8/x8/x8 с процессором с 28 линиями PCI-E;
2 слота PCI Express 2.0 x1.
Масштабируемость видеоподсистемы NVIDIA 3-way SLI Technology;
AMD 3-way CrossFireX Technology.
Интерфейсы накопителей Чипсет Intel X99:
  • 10 × SATA 3, пропускная способность до 6 Гбит/с;
  • 1 × SATA Express, пропускная способность до 10 Гбит/с;
  • 1 × M.2 (PCI Express x16, Gen 3), пропускная способность до 32 Гбит/с (тип 2242/2260/2280/22110);
  • 1 × U.2 (PCI Express x16, Gen 3), пропускная способность до 32 Гбит/с;
  • поддержка RAID 0, RAID 1, RAID 5, RAID 10, Intel Rapid Storage, Intel Smart Connect Technology и Intel Smart Response, NCQ, AHCI и Hot Plug.
Сетевой
интерфейс
Сетевой контроллер Intel Gigabit LAN I210-AT (10/100/1000 Мбит/с);
Сетевой контроллер Intel Gigabit LAN I218-LM (10/100/1000 Мбит);
Аудиоподсистема 7.1-канальный HD-аудиокодек Audio Boost 3 (Realtek ALC1150);
звуковые конденсаторы Chemi-Con;
технология Nahimic Sound;
позолоченные аудио разъёмы;
изолированная от PCB звуковая карта;
спаренный усилитель для наушников;
фронтальный выделенный аудиовыход для подключения наушников.
Интерфейс USB Чипсет Intel X99:
  • 4 порта USB 3.1 Gen1 (доступны через внутренний коннектор USB 3.1);
  • 8 портов USB 2.0/1.1 (4 – на задней панели, 4 – подключаются к соответствующим разъёмам на системной плате).
  • Контроллер ASMedia ASM1142:
  • 2 порта USB 3.1 Gen2 (Type-C порт на задней панели платы и один порт через внутренний коннектор).
  • Контроллер ASMedia ASM1074:
  • 4 порта USB 3.1 Gen1 (все на задней панели платы).
Разъёмы и кнопки на задней панели комбинированный PS/2 порт;
четыре USB 2.0 порта;
кнопка Clear CMOS;
порт USB 3.1 Gen2;
порт USB 3.1 Gen2 Type-C;
четыре порта USB 3.1 Gen1;
два сетевых LAN (RJ45);
оптический S/PDIF OUT коннектор;
пять OFC звуковых разъёмов.
Внутренние разъёмы на системной плате основной коннектор питания 24-pin ATX;
коннектор питания 8-pin ATX 12V;
10 коннекторов SATA 6 Гбайт/с;
SATA-Express-коннектор;
M.2-слот;
U.2-порт;
2 коннектора USB 2.0 (поддерживается дополнительно 4 порта USB 2.0);
2 коннектора USB 3.1 Gen1 (поддерживается дополнительно 4 порта USB 3.1 Gen1);
4-pin-коннектор вентилятора CPU;
4-pin-коннектор водяного насоса;
3 4-pin-коннектора вентилятора системы;
коннектор звуковых разъёмов передней панели;
2 коннектора для подключения индикаторов и органов управления передней панели;
коннектор TPM-модуля;
разъем датчика открытия корпуса;
Clear CMOS-джампер;
кнопка питания;
кнопка Reset;
переключатель Multi-BIOS;
коннектор RGB LED;
джампер режима Slow.
BIOS 2 × 128 Мбит AMI UEFI BIOS с мультиязычным интерфейсом и графической оболочкой;
совместимость с ACPI 5.0;
поддержка PnP 1.0a;
поддержка SM BIOS 2.8.
Контроллер I/O Nuvoton NCT6792D+
Фирменные функции, технологии и особенности CLICK BIOS 5:
  • EZ Mode & Advanced Mode Switching;
  • Board Explorer;
  • Hardware Monitor;
  • MILITARY CLASS 5:
  • Military Class Component;
  • Military Class Stability and Reliability;
  • ESD Protection;
  • EMI Protection;
  • Humidity Protection;
  • Circuit Protection;
  • High Temperature Protection;
  • VGA Armor Slot;
COMMAND CENTER:
  • System Monitor;
  • Smart Fan Control;
  • RAMDISK;
  • LIVE UPDATE 6;
  • M-CLOUD;
  • CPU-Z MSI GAMING;
  • Steel Series Engine 3;
  • SUPER CHARGER.
Форм-фактор, габариты (мм) ATX, 305 × 244
Гарантия производителя, лет 3
Минимальная розничная стоимость*, руб. 25 145 

* По данным «Яндекс.Маркета» на 17.10.2016.

Упаковка и комплектация

Новая MSI X99A Workstation заявляет о серьёзности своих намерений начиная прямо с упаковки. Коробка оформлена в строгом стиле и с минималистичным информационным наполнением на лицевой стороне.

Зато на обратной стороне коробки о материнской плате можно узнать практически всё, включая краткие спецификации и перечень выходов.

Вторит ей и наклейка с серийным номером на боковой грани картонной коробки.

Комплектация сравнительно богатая. Кроме самой материнской платы, в коробке можно найти восемь SATA-кабелей с защёлками, заглушку на заднюю панель, сразу три соединительных мостика для SLI, набор M-Connector и кабель для ленты светодиодной подсветки.

Также в комплекте поставки присутствуют инструкция по настройке и эксплуатации, наклейки для SATA-кабелей, памятка и компакт-диск с драйверами и утилитами.

Предоставленная нам на тестирование MSI X99A Workstation выпущена в Китае и относится к версии 1.0. Гарантийный срок равен трём годам. В зарубежных онлайн-магазинах стоимость данной модели начинается с 389 долларов США, а в России плату можно купить за 25,1 тысячи рублей.

Особенности конструкции

Дизайн новой MSI X99A Workstation строгий и выдержанный. Разве что жёлтые полоски на радиаторах и пластиковом кожухе над панелью выходов немного разбавляют общую серьёзность. И всё же общий посыл у дизайна данной модели – «здесь всё по-взрослому».

 

На обратной стороне отметим усилительную пластину процессорного разъёма и пластинку-радиатор на силовых элементах цепи питания процессора. По размерам данная модель относится к стандарту ATX – её габариты составляют 305 × 244 мм.

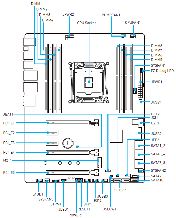
С расположением ключевых элементов MSI X99A Workstation можно ознакомиться по следующей схеме и таблице из инструкции по эксплуатации.

 

На заднюю панель платы выведены (слева направо): два порта USB 2.0/1.1, совмещённые с комбинированным разъёмом PS/2; кнопка Clear CMOS; два порта USB 3.1 (один из них — USB Type-C); два порта USB 3.0/2.0 и ещё два порта USB 3.0/2.0 с сетевым портом LAN (RJ-45); два порта USB 2.0/1.1 ещё c одним с сетевым портом LAN (RJ45); панель с пятью аудиовыходами и разъёмом S/P-DIF.

Все радиаторы и пластиковый кожух на плате закреплены винтами. Без них она выглядит следующим образом.

О каких-либо особенностях процессорного разъёма LGA2011-v3 в описании материнской платы не говорится, поэтому, скорее всего, здесь он самый обычный, без расширенных возможностей по разгону CPU и его кеша.

Добавим, что платой поддерживаются все существующие процессоры Intel данного конструктивного исполнения, включая любые серверные Xeon.

Питание процессора организовано по восьмифазной схеме.

 

Все компоненты силовых цепей здесь соответствуют стандарту Military Class 5 и включают в себя катушки с титановым сердечником с увеличенным на 40 % запасом по току и на 30 % большим КПД, а также фирменные конденсаторы Dark CAP с рекордно низкими значениями эквивалентного последовательного сопротивления (ESR) и сроком службы более десяти лет.

За управление питанием процессора отвечает ШИМ-контроллер ISL6388 производства компании Intersil с удвоителями фаз ISL6611A.

Общее питание MSI X99A Workstation обеспечивается посредством стандартных разъёмов с 24 и 8 контактами, расположенных на тех же местах, что и обычно.

 

Чипсет Intel X99 охлаждается пассивным алюминиевым радиатором, с которым он контактирует посредством густого термоинтерфейса.

Два квартета разъёмов для модулей оперативной памяти стандарта DDR4 расположены по обе стороны от процессорного разъёма.

Разъёмы имеют дополнительную металлизированную оболочку Steel Armor и поддерживают технологию DDR4 Boost (увеличенное число дорожек для повышения стабильности работы памяти и защиты от электромагнитных помех). Общий объём поддерживаемой памяти может достигать 128 Гбайт. В спецификациях указана совместимость с огромным числом различных модулей памяти практически с любыми частотами и таймингами. Наконец, поддерживаются XMP-профили (Extreme Memory Profile) и модули с коррекцией ошибок (ECC).

Питанием оперативной памяти управляют два ШИМ-контроллера Powervation PV3203, регулирующие по две фазы на каждую четвёрку модулей.

 

Разработчики MSI X99A Workstation наделили её пятью разъёмами PCI Express.

Три разъёма PCI Express x16 3.0/2.0, как и разъёмы оперативной памяти, получили защиту Steel Armor и увеличенное число точек пайки на текстолите платы, что повышает их прочность и помехозащищённость

Слоты PCI Express 3.0 x16 могут работать в режимах x16, x16/x16, x8/x16/x8 с процессорами с 40 линиями PCI-E и x16, x16/x8 и x8/x8/x8 с процессорами с 28 линиями PCI-E.

 

Поддерживаются технологии NVIDIA 2-way SLI, NVIDIA Quadro SLI и AMD 3-way CrossFireX.

За переключение режимов работы слотов отвечают четыре коммутатора с маркировкой F75480BN.

Два оставшихся разъёма являются PCI Express 2.0 x1 и предназначены для карт расширения.

Всего на MSI X99A Workstation имеются десять разъёмов SATA III с пропускной способностью до 6 Гбит/с, два из которых включены в состав порта SATA Express.

Правее горизонтально расположенных SATA-разъёмов виден ещё один порт для накопителей – U.2 с пропускной способностью до 32 Гбит/с.

Ещё один высокоскоростной интерфейс на плате представлен портом Turbo M.2 с пропускной способностью до 32 Гбит/с и поддержкой SSD-модулей, работающих по протоколу NVMe.

В него можно установить накопители длиной 4,2, 6,0, 8,0 и 11 см. При этом, если задействовать M.2 в режиме SATA, то окажутся недоступны два порта SATA (5-й и 6-й) и, соответственно, SATA Express.

Как и подобает плате данного класса, MSI X99A Workstation имеет исчерпывающее количество USB-портов, реализованных посредством как чипсета Intel X99, так и сторонних контроллеров. Силами чипсета на плате размещено 12 USB-портов, из которых 8 относятся к стандарту USB 2.0 (4 выведены на заднюю панель, а другие 4 подключаются к внутренним разъёмам на плате). Ещё четыре порта относятся к типу USB 3.1 Gen1 (читай: USB 3.0) — все они подключаются к двум внутренним коннекторам на PCB.

Ещё два высокоскоростных порта USB 3.1 Gen2 (то есть настоящие USB 3.1) реализованы с помощью контроллера ASMedia ASM1142. Один из них (Type-С) выведен на заднюю панель, и ещё один можно взять прямо с платы через внутренний коннектор. Контроллер попроще и подешевле – ASMedia ASM1074 – обеспечивает работу ещё четырёх портов USB 3.1 Gen1, размещённых на задней панели платы.

Две микросхемы-повторителя для усиления USB-сигнала ASMedia ASM1464 распаяны на обратной стороне печатной платы.

Поддерживаются технологии MSI Super Charger, Direct USB и USB Redriver.

Сетевых контроллеров на плате два: гигабитные Intel I210-AT и Intel I218-LM с поддержкой технологии Teaming.

Оба сетевых разъёма RJ-45 имеют аппаратную защиту от электрических разрядов LAN Protect, а оптимизация сетевого трафика возможна с помощью фирменного программного обеспечения.

Звук на MSI X99A Workstation называется Audio Boost 3 — он реализован с помощью 7.1-канального HD-аудиокодека Realtek ALC1150.

Экранирования самого аудиопроцессора, как на флагманских материнских платах MSI, здесь нет, зато есть высококачественные звуковые конденсаторы Chemi-Con, позолоченные аудиоразъёмы, высококачественный спаренный усилитель для наушников, фронтальный выделенный аудиовыход для подключения наушников и поддержка технологии Nahimic Sound.

В дополнение к этому зона звукового тракта на плате изолирована от остальной PCB полосой без токопроводящих слоёв.

Функции мониторинга, управления скоростью вентиляторов и комбинированным разъёмом PS/2 реализованы контроллером Nuvoton NCT6792D-M.

Кроме незаменимого индикатора Post-кодов, на нижней кромке материнской платы отметим кнопки включения и сброса, внутренние аудиоразъёмы, коннектор TPM, порты USB, коннекторы для передней панели и для внешней ленты светодиодной подсветки (JLED1).

Рядом с внутренними аудиоразъёмами виден один из коннекторов для вентилятора, коих на MSI X99A Workstation пять штук, включая один увеличенной мощности для помп систем жидкостного охлаждения. Управлять вентиляторами можно как через BIOS, так и через MSI Command Center (функция Total Fan Control).

Микросхем BIOS на плате две, обе 128-битные.

Рядом находится переключатель выбора образа BIOS для загрузки. Это удобно для восстановления работоспособности материнской платы после неудачных экспериментов с разгоном или каких-либо сбоев.

В системе охлаждения MSI X99A Workstation используются только алюминиевые радиаторы без тепловых трубок.

Радиаторы силовых цепей питания центрального процессора контактируют с ними через термопрокладки, а чипсетный радиатор – через какой-то высохший термоинтерфейс серого цвета. Модной нынче подсветки на плате нет — не тот «уровень серьёзности». Зато есть индикатор MSI EZ Debug LED, сигнализирующий пользователю о проблемах процессора, оперативной памяти или видеокарты при загрузке системы.


Источник: 3DNews

 
 
Новости:    Предыдущая Следующая   
 Архив новостей

Разделы новостей:

Подписаться на новости:

 

Поиск в новостях: